Aduro 22
OverzichtAduro 22 is een slanke en elegante kachel die dankzij de geringe diepte perfect past in kleinere ruimtes. Het gebogen glas en de zachte, harmonieuze lijnen trekken direct de aandacht en leiden het oog naar een prachtig vlammenspel.
Kenmerkend voor deze kachel zijn bovendien de eenvoudige handgrepen, de praktische opbergruimte met deur en het optische liftende effect door de smalle voet.
Prestaties
Nominaal vermogen: 5,5 kW
Werkingsbereik: 3–9 kW
Verwarmt: 30–140 m²
Rendement: > 78%
SEER: 68%
Energieklasse: A (A++ – G)
Voordelen
✓ Convectiekachel
✓ Air-wash systeem (ruitenreiniging)
✓ Primaire, secundaire en tertiaire luchttoevoer
✓ Aslade
✓ Uitgerust met Aduro-tronic
✓ Mogelijkheid tot verlengde garantie
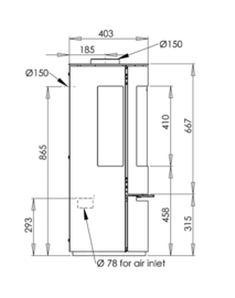
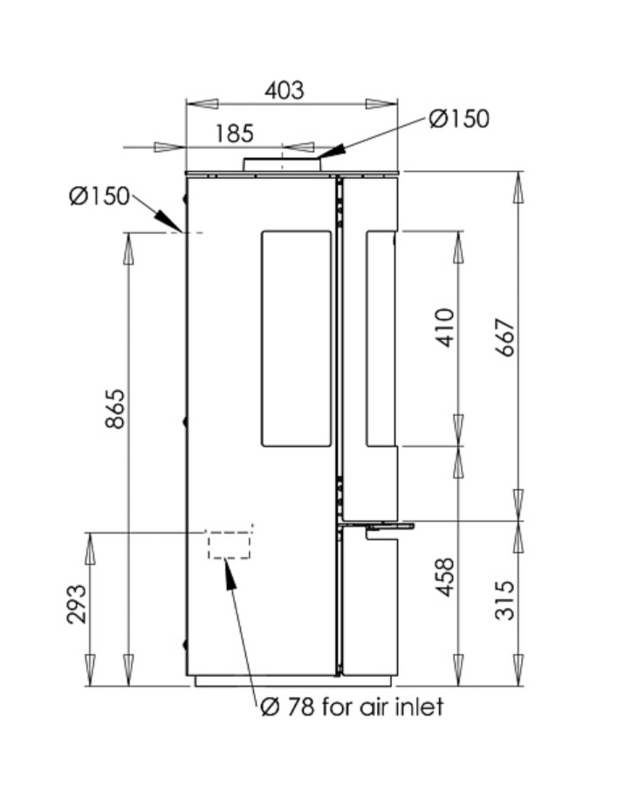
Afmetingen
Rookafvoer boven/achter: Ø150 mm
Afmetingen (H x B x D): 98,2 x 44 x 40,3 cm
Afstand vloer tot midden achteruitgang: 86,5 cm
Afstand midden rookafvoer tot achterzijde kachel: 18,5 cm
Hoogte rookafvoer boven vloer: 96,1 cm
Breedte verbrandingskamer: 36 cm
Maximale houtlengte: 35 cm
Gewicht: 80 kg
Afstand tot brandbaar materiaal
Achter: 7,5 cm
Zijkant: 70 cm
Tot meubilair: 100 cm


